Skip to Main Content
Achtung Internet Explorer-Benutzer:
Die ROHM-Website unterstützt IE 11 nicht mehr. Bitte aktualisieren Sie Ihren Browser, um die beste Leistung auf der ROHM-Website zu gewährleisten.
News
Karriere
Kontakt
Diese Seite durchsuchen
ROHM-Produkte
Querreferenz
Vertr. Bestand
ROHM Header
Global - English
Americas - English
Europe - English
Europe - Deutsch
ASEAN/India - English
简体中文
繁體中文
한국어
日本語
myROHM Login
Produkte
Verstärker und Linearprodukte
Energieverwaltung / Power Management
Motortreiber / Stellmotortreiber
MOSFETs / Transistoren / Dioden
Leistungshalbleiter
Widerstände / Kondensatoren
Speicher
Zeitgeber und Taktgeneratoren
Schalter, Multiplexer und Logik-ICs
Datenwandler
Sensoren und MEMS
Display-Treiber
Schnittstelle
Wireless LSIs
Audio und Video
Sprachsynthese-LSI
Mikrocontroller (MCU)
Optoelektronik
Wireless Modules / Druckköpfe
Waferherstellung
Verstärker und Linearprodukte
Operationsverstärker
Standard-Operationsverstärker
Hochgeschwindigkeits-Operationsverstärker
Operationsverstärker mit niedrigem Stromverbrauch
Rauscharme Operationsverstärker
Operationsverstärker mit niedriger Offset-Spannung
Hochleistungs-Operationsverstärker
Komparatoren
Standardkomparatoren
Hochgeschwindigkeitskomparatoren
Komparatoren mit niedrigem Stromverbrauch
Current Sense Amplifier ICs
Energieverwaltung / Power Management
DC-DC-Wandler-IC
Abwärtswandler (Buck)
Aufwärtswandler (Boost)
Abwärts/Aufwärts-, Inverswandler
Hochspannung Buck für AC-DC (Offline)
Flyback-Schaltregler
Isolierter Typ ohne Optokoppler
PWM / Quasi-Resonant AC-DC (Offline)
AC-DC-Wandler (ICs)
PWM / Quasi-Resonant
PFC + Quasi-Resonant Combo
PFC
Secondary Side Synchronous Rectification
AC-Nulldurchgangserkennungs-IC
Linearregler
Power-Management ICs (PMIC, Systemstromversorgungen)
LED-Treiber
LED-Treiber mit Aufwärtswandler
LED-Treiber mit Abwärtswandler
LED-Treiber mit Inverswandler
LED-Treiber mit mehreren Funktionen
LED-Treiber für Beleuchtung
LED-Treiber ohne Induktionsspule (Ladepumpe)
Konstantstrom-LED-Treiber / LED-Treiber mit serieller Eingabe und paralleler Ausgabe
Spannungsdetektoren (Reset-ICs)
Power-Management-Schalt-ICs
IPDs (Intelligente Schalt-ICs)
Gate-Treiber
Isolierte Gate-Treiber
Isolated Switch Driver (Isolated MOS Driver)
IGBT/MOSFET High/Low-Side Gate Drivers
Non-insulated Gate Drivers for Battery Management System (BMS)
Gate-Treiber für GaN
Wireless Power
Power Receiver LSIs (13.56MHz Wireless Charge)
Power Transmitter LSIs (13.56MHz Wireless Charge)
Batteriemanagement
Batterie-Ladungs-Management-ICs
Überladeschutz-ICs
Coulomb Counter
LSI zur Li-Ionen-Akku-Überwachung
Motortreiber / Stellmotortreiber
DC-Bürstenmotor
Schrittmotor
Treiber für einphasige bürstenlose DC-Motoren
3-phasiger bürstenloser Motor
Hochspannungstreiber für 3-phasige bürstenlose DC-Motoren
Gebläsemotor
Drucker
Digitalkamera
Mobiltelefonmodul
Gate-Treiber
Isolierte Gate-Treiber
IGBT/MOSFET High/Low-Side Gate Drivers
Non-insulated Gate Drivers for Battery Management System (BMS)
Gate-Treiber für GaN
MOSFETs / Transistoren / Dioden
MOSFETs
12 bis 150 V MOSFETs
190 bis 800 V Leistungs-MOSFETs
MOSFETS für die Automobilindustrie
Gate-Treiber
Isolierte Gate-Treiber
IGBT/MOSFET High/Low-Side Gate Drivers
Non-insulated Gate Drivers for Battery Management System (BMS)
Gate-Treiber für GaN
Bipolartransistoren
Bipolartransistoren
Digitaltransistoren
Darlington-Transistoren
Komplexe Transistoren
IGBT
Feldstopp-Trench-IGBT
Zündungs-IGBT
IGBT-Bare-Die
Dioden
Schottky-Dioden
Dioden mit kurzer Erholungszeit (Fast Recovery Diodes)
Standard-Gleichrichterdioden
Zener-Dioden
Suppressordiode
Schaltdioden
Bandschaltdioden
PIN-Dioden
Detektor-Schottky-Dioden
Schutzgeräte
Zener-Dioden
Suppressordiode
IPDs
Leistungshalbleiter
Leistungstransistoren
12 bis 150 V MOSFETs
190 bis 800 V Leistungs-MOSFETs
MOSFETS für die Automobilindustrie
Bipolartransistoren
Digitaltransistoren
Leistungsdioden
Schottky-Dioden
Dioden mit kurzer Erholungszeit (Fast Recovery Diodes)
Standard-Gleichrichterdioden
Suppressordiode
Zener-Dioden
SiC-Leistungshalbleiter
SiC-Schottky-Dioden
SiC-MOSFET
SiC-Leistungsmodul
SiC-Schottky-Dioden, Bare Die
SiC-MOSFET, Bare Die
GaN-Leistungsbauelemente
GaN HEMT
GaN HEMT Endstufen-ICs
Gate-Treiber für GaN
IGBT
Feldstopp-Trench-IGBT
Zündungs-IGBT
IGBT-Bare-Die
IPM
IGBT-IPM
MOS-IPM
Gate-Treiber
Isolierte Gate-Treiber
IGBT/MOSFET High/Low-Side Gate Drivers
Non-insulated Gate Drivers for Battery Management System (BMS)
Widerstände / Capacitors
Widerstände
Widerstände zur Stromerfassung
Widerstände mit hoher Zuverlässigkeit
Standard-Chip-Widerstände
Kondensatoren
Siliziumkondensatoren
Speicher
Serielles EEPROM
Standard EEPROM
EEPROM für die Automobilindustrie
Zeitgeber und Taktgeneratoren
CR Control Timer-ICs
Schalter, Multiplexer und Logik-ICs
Standardlogik
Logikgatter
USB-Schalt-ICs
Power-Management-Schalt-ICs
IPDs
Datenwandler
A/D-Wandler
D/A-Wandler
Audiowandler
Sensoren und MEMS
Current Sensor IC
Hall-ICs
Umgebungslichtsensor-ICs
Temperatursensor-ICs
Verstärker-IC für Schock-Sensoren (Aufprall-Sensor)
Optische Sensoren
Display-Treiber
TN/STN LCD-Treiber
Allgemeine LCD-Segment-Treiber
Controller Drivers for Graphic LCD
Controller Drivers for Low Duty LCD
TFT LCD Drivers
OLED Drivers
Schnittstelle
SerDes-IC
LVDS-Schnittstellen-ICs
Gas Water Heaters Interface ICs
Monitor mit mehreren Eingangsschaltern LSI
LIN-Transceiver
CAN-Transceiver
Typ-C USB Stromübertragung
Wireless LSIs
Sub-GHz LSI, SoC
Sub-GHz LSI
Sub-GHz SoC
RFID LSI
Audio und Video
Audioverstärker
Lautsprecherverstärker
Kopfhörerverstärker
Leitungsverstärker
Stromversorgungs-ICs für Audio
Stromversorgungs-ICs für HiFi-Audio
Für Fahrzeug-Audiosysteme
Audioprozessoren
Analoge Audioprozessoren
Videoverstärker
FBAS-Verstärker
Videoschalter
Videoverstärker: Trennverstärker
Audiowandler
Audio-DACs
Video LSIs
Video Decoders
Video Encoders
Display Controller Series for Small to Medium-Sized TFT LCD
Sprachsynthese-LSI
Automotive-grade
Long Playback
Short Playback
Supports External Memory
Speech Play Back MCUs (8bit)
Mikrocontroller (MCUs)
Edge Computing AI MCUs (Solist-AI™ MCUs)
Power Electronics Control MCUs (LogiCoA™ MCUs)
General-purpose MCUs (16bit)
Automotive MCUs (32bit)
USB Interface & Security function MCUs (32bit)
Speech Play Back MCUs (8bit)
Optoelektronik
LED
Chip-LEDs (Typ: einfarbig)
Chip-LEDs (Typ: mehrfarbig)
LED-Lampen (Typ: einfarbig)
Infrarot-Leuchtdioden (NIR: Nah-Infrarot)
Infrarot-Leuchtdioden (SWIR: Kurzwelliges Infrarot)
Laserdioden
Hochleistungs-Laserdioden
Infrarot Laserdioden
Rote Laserdioden
Multibeam Laserdioden
Optische Sensoren
Optokoppler (Übertragungssensoren)
Reflective Type Photosensors
Infrarot-Leuchtdioden (NIR: Nah-Infrarot)
Infrarot-Leuchtdioden (SWIR: Kurzwelliges Infrarot)
Phototransistoren (NIR: Nah-Infrarot)
Umgebungslichtsensor-ICs
Wireless Modules / Druckköpfe
Module für drahtlose Kommunikation
Wi-SUN-Modul
EnOcean Modules
Bluetooth® low energy Modules
Druckköpfe
Für mobile Drucker
Für Etikettendrucker
Für Quittungs-, Etikettendrucker
Für schnelle Quittungs- und intelligente POS-Drucker
Für großformatige, schnelle Etikettendrucker
Für großformatige, schnelle Etikettendrucker mit thermohistorischer Steuerung
Für TTO (Thermal Transfer Overprinters)
Waferherstellung
Piezoelektrische Dünnschicht-MEMS
Wafer (LAPIS)
Technischer Support
Produktsuche
Liste neuer Produkte
Katalog
Produktvideo-Galerie
Querreferenzsuche
Gehäuseliste
Recommended Products Search
Product Longevity Program
Produktauswahl-Tool
MOSFET-Auswahltool für die Synchrongleichrichtung von DC-DC-Wandlern
MOSFET-Lastschalterauswahl
Support Pages
AC-DC-Wandler-IC
Design-Leitfaden für DC-DC-Stromversorgungsschaltungen
Isolated flyback-type DC-DC Converter
SiC-Leistungshalbleiter
Unterstützung für die Konstruktion
Referenzdesign
Application Notes / Design Simulationsmodelle
Simulations-/Berechnungs-Tools
ROHM Solution Simulator
Schaltkreismodelle für LTspice
®
Stepping motor for thermal calculations tool
Widerstands-Berechnungstool
TCR-Berechnungstool
Kauf
Distribution inventory
Authorized Distributors & Sales Reps
Schulung
Tech Web:Learn the Essentials of Circuit Design
Electronics Basics
Adoption ・ Collaboration Examples
Häufig gestellte Fragen
Kontakt
Frequently Asked Questions
Lösungen
Automobil-Anwendungen
Industrie
Verbraucherelektronik
Funktion (Universelle Funktionsschaltkreise)
Automobil-Anwendungen
xEV
Hauptwechselrichter (Traktionswechselrichter)
On-Board-Ladegerät (OBC) – bidirektional
On-Board-Ladegerät (OBC) – unidirektional
DC-DC-Wandler für die Automobilindustrie
Batteriemanagementsystem (BMS) für die Automobilindustrie
ADAS
ADAS-Domänencontroller
ADAS-Steuergerät (ADAS-ECU)
ADAS-Radar
ADAS LiDAR
ADAS-Sonar
ADAS-Kamerasystem
ADAS-Kameraüberwachungssystem (CMS)
ADAS-Fahrerüberwachungssystem (DMS)
Dashboard-Kamera (Fahrtenschreiber)
Karosserie-ECU (Body ECU)
Elektrischer Kompressor (E-Comp)
Karosseriesteuergerät (BCM)
HV-Heizung/PTC-Heizung
LED-Beleuchtung
LED-Scheinwerfer
LED-Scheinwerfer – Adaptives Fahrlicht (ADB)
LED-Rücklicht – Kaltstartunterstützung
LED-Rücklicht – Animierte Beleuchtung
LED-Rücklicht – Dynamische Steuerung
Kleine Lampe
Nebelscheinwerfer
Infotainment/Kombiinstrument
Kombiinstrument/Zentraldisplay (CID)
Head-up-Display (HUD)
Elektromotorrad
Hauptwechselrichter (Traktionsinverter)
VCU (Fahrzeugsteuergerät)
DC-DC-Wandler
Beleuchtungssystem
Kombiinstrument
Industrie
Energie
Photovoltaik-Wechselrichter (PV-Wechselrichter)
EV-Ladestation (Off-Board-Ladegerät)
Industrielle AC-DC-Wandler
Kompakte USV – 1 kVA
USV – 10 kVA
Industrielle USV – 100 kVA
Batteriemanagementsystem für industrielle Anwendungen (Batteriepack)
Elektrische Smart Meter
Motor
Motorantrieb: 3-phasig, 100–240 VAC, nicht isoliert
Motorantrieb: 3-Phasen-400V-AC-Wechselrichter
Motorantrieb: DC 12 V-48 V für industrielle Anwendungen
Motorantrieb: 3-phasig AC 100 V–240 V AC-Servo
Sicherheit
Gasleckdetektor (für gewerbliche Zwecke, Handgerät)
Sicherheitskamera
Server/Rechenzentrum
Stromversorgungseinheit (PSU)
Batterie-Backup-Einheit (BBU)
Server-Motherboard für KI
Fabrikautomatisierung (FA)
Industrielle LiDAR
FTF (Fahrerloses Transportfahrzeug)
SPS (Speicherprogrammierbare Steuerung) – Stromversorgungseinheit
SPS (Speicherprogrammierbare Steuerung) – Ein-/Ausgabeeinheit
Codeleser
Optische Encoder
Sicherheitslichtschranke
Infrastruktur
Basisstation Remote Radio Head (RRH)
Verbraucherelektronik
Haushaltsanwendungen
Klimaanlagen
Kühlschränke
Waschmaschinen
Staubsaugerroboter
IH-Reiskocher
Gasleckdetektoren - für den Hausgebrauch
Feueralarme - für den Hausgebrauch
Kommunikation
Hearables/Ohrhörer
Funktion (Universelle Funktionsschaltkreise)
Strommessung
Nicht isolierte Strommessung – Automotivebereich
Nicht isolierte Strommessung – Industriebereich
Motoren
Industrielle Motoren
KI für Edge-Computing
Vollautonome KI-Lösung Solist-AI™
Funktionale Sicherheit "ComfySIL™"
Funktionale Sicherheit "ComfySIL™"
Kauf / Support
Bestandsführung Vertrieb
Beginnt mit
▼
Beginnt mit
Enthält
Genau
Kauf / Support
Verkaufsniederlassungen
Autorisierte Distributoren
Qualitätszertifizierung
Other Facilities
Die ROHM-Gruppe
Produktionsstätten
Entwicklungszentren QA-Zentren
Logistikstandorte
Unternehmen/IR
Unternehmen
Investor Relations
Forschung und Entwicklung
Kultur / Wirtschaft
Nachhaltigkeit
myROHM Login
Produkte
Technischer Support
Lösungen
Kauf / Support
Unternehmen/IR
Nachhaltigkeit
BACK
Verstärker und Linearprodukte
Energieverwaltung / Power Management
Motortreiber / Stellmotortreiber
MOSFETs / Transistoren / Dioden
Leistungshalbleiter
Widerstände / Kondensatoren
Speicher
Zeitgeber und Taktgeneratoren
Schalter, Multiplexer und Logik-ICs
Datenwandler
Sensoren und MEMS
Display-Treiber
Schnittstelle
Wireless LSIs
Audio und Video
Sprachsynthese-LSI
Mikrocontroller (MCU)
Optoelektronik
Wireless Modules / Druckköpfe
Waferherstellung
BACK
Verstärker und Linearprodukte
Operationsverstärker
Komparatoren
Current Sense Amplifier ICs
Energieverwaltung / Power Management
DC-DC-Wandler-IC
Flyback-Schaltregler
AC-DC-Wandler (ICs)
AC-Nulldurchgangserkennungs-IC
Linearregler
Power-Management ICs (PMIC, Systemstromversorgungen)
LED-Treiber
Spannungsdetektoren (Reset-ICs)
Power-Management-Schalt-ICs
IPDs (Intelligente Schalt-ICs)
Gate-Treiber
Wireless Power
Batteriemanagement
Motortreiber / Stellmotortreiber
DC-Bürstenmotor
Schrittmotor
Treiber für einphasige bürstenlose DC-Motoren
3-phasiger bürstenloser Motor
Hochspannungstreiber für 3-phasige bürstenlose DC-Motoren
Gebläsemotor
Drucker
Digitalkamera
Mobiltelefonmodul
Gate-Treiber
MOSFETs
Gate-Treiber
Bipolartransistoren
IGBT
Dioden
IPDs
Leistungstransistoren
Leistungsdioden
SiC-Leistungshalbleiter
GaN-Leistungsbauelemente
IGBT
IPM
Gate-Treiber
Widerstände
Kondensatoren
Speicher
Serielles EEPROM
Zeitgeber und Taktgeneratoren
CR Control Timer-ICs
Schalter, Multiplexer und Logik-ICs
Standardlogik
USB-Schalt-ICs
Power-Management-Schalt-ICs
IPDs
Datenwandler
A/D-Wandler
D/A-Wandler
Audiowandler
Sensoren und MEMS
Current Sensor IC
Hall-ICs
Umgebungslichtsensor-ICs
Temperatursensor-ICs
Verstärker-IC für Schock-Sensoren (Aufprall-Sensor)
Optische Sensoren
Display-Treiber
TN/STN LCD-Treiber
TFT LCD Drivers
OLED Drivers
Schnittstelle
SerDes IC
LVDS-Schnittstellen-ICs
Gas Water Heaters Interface ICs
Monitor mit mehreren Eingangsschaltern LSI
LIN-Transceiver
CAN-Transceiver
Typ-C USB Stromübertragung
Wireless LSIs
Industrial Wireless Communication LSIs
Audio und Video
Audioverstärker
Audioprozessoren
Videoverstärker
Audiowandler
Video LSIs
Sprachsynthese-LSI
Automotive-grade
Long Playback
Short Playback
Supports External Memory
Speech Play Back MCUs (8bit)
Mikrocontroller (MCUs)
Edge Computing AI MCUs (Solist-AI™ MCUs)
Power Electronics Control MCUs (LogiCoA™ MCUs)
General-purpose MCUs (16bit)
USB Interface & Security function MCUs (32bit)
Speech Play Back MCUs (8bit)
LED
Laserdioden
Optische Sensoren
Module für drahtlose Kommunikation
Druckköpfe
Piezoelektrische Dünnschicht-MEMS
Wafer (LAPIS)
BACK
Operationsverstärker
Standard-Operationsverstärker
Hochgeschwindigkeits-Operationsverstärker
Operationsverstärker mit niedrigem Stromverbrauch
Rauscharme Operationsverstärker
Operationsverstärker mit niedriger Offset-Spannung
Hochleistungs-Operationsverstärker
Komparatoren
Standardkomparatoren
Hochgeschwindigkeitskomparatoren
Komparatoren mit niedrigem Stromverbrauch
DC-DC-Wandler-IC
Abwärtswandler (Buck)
Aufwärtswandler (Boost)
Abwärts/Aufwärts-, Inverswandler
Hochspannung Buck für AC-DC (Offline)
Isolierter Typ ohne Optokoppler
PWM / Quasi-Resonant AC-DC (Offline)
AC-DC-Wandler (ICs)
PWM / Quasi-Resonant
PFC + Quasi-Resonant Combo
PFC
Secondary Side Synchronous Rectification
LED-Treiber
LED-Treiber mit Aufwärtswandler
LED-Treiber mit Abwärtswandler
LED-Treiber mit Inverswandler
LED-Treiber mit mehreren Funktionen
LED-Treiber für Beleuchtung
LED-Treiber ohne Induktionsspule (Ladepumpe)
Konstantstrom-LED-Treiber / LED-Treiber mit serieller Eingabe und paralleler Ausgabe
Wireless Power
Power Receiver LSIs (13.56MHz Wireless Charge)
Power Transmitter LSIs (13.56MHz Wireless Charge)
Batteriemanagement
Batterie-Ladungs-Management-ICs
Überladeschutz-ICs
Coulomb Counter
LSI zur Li-Ionen-Akku-Überwachung
Gate-Treiber
Isolierte Gate-Treiber
Isolated Switch Driver (Isolated MOS Driver)
IGBT/MOSFET High/Low-Side Gate Drivers
Non-insulated Gate Drivers for Battery Management System (BMS)
Gate-Treiber für GaN
MOSFETs
12 bis 150 V MOSFETs
190 bis 800 V Leistungs-MOSFETs
MOSFETS für die Automobilindustrie
Bipolartransistoren
Bipolartransistoren
Digitaltransistoren
Darlington-Transistoren
Komplexe Transistoren
Dioden
Schottky-Dioden
Dioden mit kurzer Erholungszeit (Fast Recovery Diodes)
Standard-Gleichrichterdioden
Zener-Dioden
Suppressordiode
Schaltdioden
Bandschaltdioden
PIN-Dioden
Detektor-Schottky-Dioden
Leistungstransistoren
12 bis 150 V MOSFETs
190 bis 800 V Leistungs-MOSFETs
MOSFETS für die Automobilindustrie
Bipolartransistoren
Digitaltransistoren
Leistungsdioden
Schottky-Dioden
Dioden mit kurzer Erholungszeit (Fast Recovery Diodes)
Standard-Gleichrichterdioden
Suppressordiode
Zener-Dioden
SiC-Leistungshalbleiter
SiC-Schottky-Dioden
SiC-MOSFET
SiC-Leistungsmodul
SiC-Schottky-Dioden, Bare Die
SiC-MOSFET, Bare Die
GaN-Leistungsbauelemente
GaN HEMT
GaN HEMT Endstufen-Ics
Gate-Treiber für GaN
IGBT
Feldstopp-Trench-IGBT
Zündungs-IGBT
IGBT-Bare-Die
IPM
IGBT-IPM
MOS-IPM
Gate-Treiber
Isolierte Gate-Treiber
IGBT/MOSFET High/Low-Side Gate Drivers
Non-insulated Gate Drivers for Battery Management System (BMS)
Widerstände
Widerstände zur Stromerfassung
Widerstände mit hoher Zuverlässigkeit
Standard-Chip-Widerstände
Kondensatoren
Siliziumkondensatoren
Serielles EEPROM
Standard EEPROM
EEPROM für die Automobilindustrie
Standardlogik
Logikgatter
TN/STN LCD-Treiber
Allgemeine LCD-Segment-Treiber
Controller Drivers for Graphic LCD
Controller Drivers for Low Duty LCD
Industrial Wireless Communication LSIs
Specified Low Power Radio (Sub-GHz Band Radio)
LPWA
MCU Included Specified Low Power Radio System LSIs
Audioverstärker
Lautsprecherverstärker
Kopfhörerverstärker
Leitungsverstärker
Stromversorgungs-ICs für Audio
Stromversorgungs-ICs für HiFi-Audio
Für Fahrzeug-Audiosysteme
Audioprozessoren
Analoge Audioprozessoren
Videoverstärker
FBAS-Verstärker
Videoschalter
Videoverstärker: Trennverstärker
Audiowandler
Audio-DACs
Video LSIs
Video Decoders
Video Encoders
Display Controller Series for Small to Medium-Sized TFT LCD
LED
Chip-LEDs (Typ: einfarbig)
Chip-LEDs (Typ: mehrfarbig)
LED-Lampen (Typ: einfarbig)
Infrared Light Emitting Diodes (NIR: Near Infrared)
Infrared Light Emitting Diodes (SWIR: Short Wavelength Infrared)
Laserdioden
Hochleistungs-Laserdioden
Infrarot Laserdioden
Rote Laserdioden
Multibeam Laserdioden
Optische Sensoren
Optokoppler (Übertragungssensoren)
Reflective Type Photosensors
Infrared Light Emitting Diodes (NIR: Near Infrared)
Infrared Light Emitting Diodes (SWIR: Short Wavelength Infrared)
Phototransistors (NIR: Near Infrared)
Umgebungslichtsensor-ICs
Module für drahtlose Kommunikation
Wi-SUN-Modul
EnOcean Modules
Bluetooth® low energy Modules
Druckköpfe
Für mobile Drucker
Für Etikettendrucker
Für Quittungs-, Etikettendrucker
Für schnelle Quittungs- und intelligente POS-Drucker
Für großformatige, schnelle Etikettendrucker
Für großformatige, schnelle Etikettendrucker mit thermohistorischer Steuerung
For TTO (Thermal Transfer Overprinters)
BACK
Produktsuche
Produktauswahl-Tool
Support Pages
Unterstützung für die Konstruktion
Simulations-/Berechnungs-Tools
Kauf
Schulung
Häufig gestellte Fragen
BACK
Liste neuer Produkte
Katalog
Produktvideo-Galerie
Querreferenzsuche
Gehäuseliste
Recommended Products Search
Product Longevity Program
Referenzdesign
Application Notes / Design Simulationsmodelle
Distribution inventory
Authorized Distributors & Sales Reps
Tech Web:Learn the Essentials of Circuit Design
Electronics Basics
Adoption ・ Collaboration Examples
Kontakt
Frequently Asked Questions
MOSFET Selection Tool for synchronous rectification DC/DC converter
MOSFET-Lastschalterauswahl
ROHM Solution Simulator
Schaltkreismodelle für LTspice
®
AC/DC Designer
Stepping motor for thermal calculations tool
Widerstands-Berechnungstool
T.C.R-Berechnungstool
AC/DC-Wandler-IC
Design-Leitfaden für DC-DC-Stromversorgungsschaltungen
Isolated flyback-type DC-DC Converter
SiC-Leistungshalbleiter
BACK
Automobil-Anwendungen
Industrie
Verbraucherelektronik
Funktion (Universelle Funktionsschaltkreise)
BACK
xEV
Karosserie-ECU (Body ECU)
ADAS
LED-Beleuchtung
Infotainment/Kombiinstrument
Elektromotorrad
Energie
Motor
Infrastruktur
Server/Rechenzentrum
Fabrikautomatisierung (FA)
Sicherheit
Haushaltsanwendungen
Kommunikation
Strommessung
Motoren
KI für Edge-Computing
Funktionale Sicherheit "ComfySIL™"
BACK
Hauptwechselrichter (Traktionswechselrichter)
On-Board-Ladegerät (OBC) – bidirektional
On-Board-Ladegerät (OBC) – unidirektional
DC-DC-Wandler für die Automobilindustrie
Batteriemanagementsystem (BMS) für die Automobilindustrie
Elektrischer Kompressor (E-Comp)
Karosseriesteuergerät (BCM)
HV-Heizung/PTC-Heizung
ADAS-Domänencontroller
ADAS-Steuergerät (ADAS-ECU)
ADAS-Radar
ADAS LiDAR
ADAS-Sonar
ADAS-Kamerasystem
ADAS-Kameraüberwachungssystem (CMS)
ADAS-Fahrerüberwachungssystem (DMS)
Dashboard-Kamera (Fahrtenschreiber)
LED-Scheinwerfer
LED-Scheinwerfer – Adaptives Fahrlicht (ADB)
LED-Rücklicht – Kaltstartunterstützung
LED-Rücklicht – Animierte Beleuchtung
LED-Rücklicht – Dynamische Steuerung
Kleine Lampe
Nebelscheinwerfer
Kombiinstrument/Zentraldisplay (CID)
Head-up-Display (HUD)
Hauptwechselrichter (Traktionsinverter)
VCU (Fahrzeugsteuergerät)
DC-DC-Wandler
Beleuchtungssystem
Kombiinstrument
Photovoltaik-Wechselrichter (PV-Wechselrichter)
EV-Ladestation (Off-Board-Ladegerät)
Industrielle AC-DC-Wandler
Kompakte USV – 1 kVA
USV – 10 kVA
Industrielle USV – 100 kVA
Batteriemanagementsystem für industrielle Anwendungen (Batteriepack)
Elektrische Smart Meter
Motorantrieb: 3-phasig, 100–240 VAC, nicht isoliert
Motorantrieb: 3-Phasen-400V-AC-Wechselrichter
Motorantrieb: DC 12 V-48 V für industrielle Anwendungen
Motorantrieb: 3-phasig AC 100 V–240 V AC-Servo
Basisstation Remote Radio Head (RRH)
Stromversorgungseinheit (PSU)
Batterie-Backup-Einheit (BBU)
Server-Motherboard für KI
Industrielle LiDAR
FTF (Fahrerloses Transportfahrzeug)
SPS (Speicherprogrammierbare Steuerung) – Stromversorgungseinheit
SPS (Speicherprogrammierbare Steuerung) – Ein-/Ausgabeeinheit
Codeleser
Optische Encoder
Sicherheitslichtschranke
Gasleckdetektor (für gewerbliche Zwecke, Handgerät)
Sicherheitskamera
Klimaanlagen
Kühlschränke
Waschmaschinen
Staubsaugerroboter
IH-Reiskocher
Gasleckdetektoren - für den Hausgebrauch
Feueralarme - für den Hausgebrauch
Hearables/Ohrhörer
Nicht isolierte Strommessung – Automotivebereich
Nicht isolierte Strommessung – Industriebereich
Industrielle Motoren
Funktionale Sicherheit "ComfySIL™"
Vollautonome KI-Lösung Solist-AI™
BACK
Kauf / Support
Other Facilities
BACK
Verkaufsniederlassungen
Autorisierte Distributoren
Qualitätszertifizierung
Die ROHM-Gruppe
Produktionsstätten
Entwicklungszentren QA-Zentren
Logistikstandorte
Bestandsführung Vertrieb
Beginnt mit
Enthält
Genau
BACK
Unternehmen
Investor Relations
Forschung und Entwicklung
Kultur / Wirtschaft
header-sensor-shield-support
Start
ROHM-Sensorauswertungssatz
現在のページ
Kompatibel mit Arduino Uno und mbed
ROHM-Sensorauswertungssatz
sidecolumn-sensor-shield-support
Integrierte Module
Modul
'Beschleunigungs-
messer'
Modul
'Barometrischer Druck'
Modul
'Geomagnetischer
Sensor'
Modul
'Umgebungslicht-/
Näherungssensor'
Modul
'Farbsensor'
Modul
'Hallsensor'
Modul
'Temperatursensor'
Modul
'UV-Sensor'
Modul
'Pulssensor'
Sensorplatine
Sensorplatine
ROHM-Sensoren
Sensorproduktseite der ROHM Group
common.css-sensor-shield-support
10_shield
Sensorplatine
Kontaktieren Sie uns
Informationen zur Pinbelegung/Platine
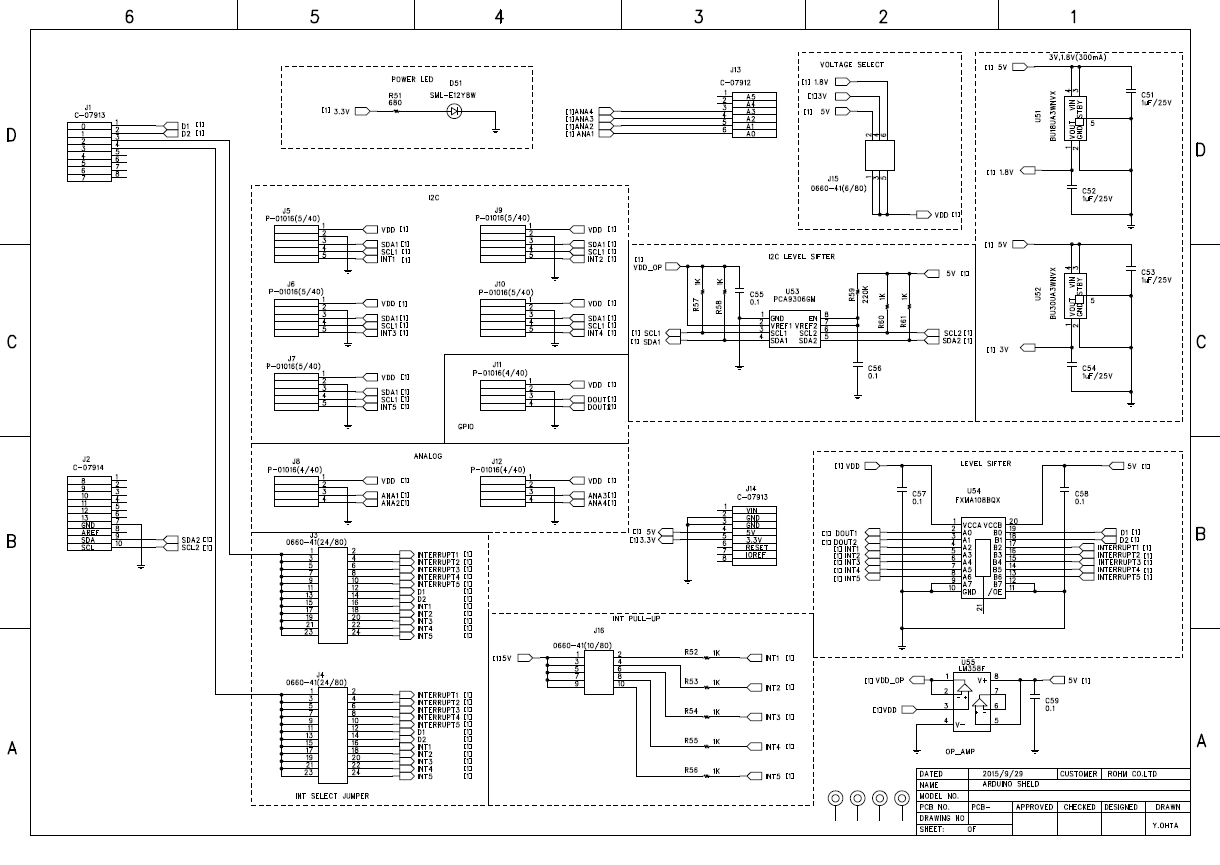
Schaltplan
Platinenlayout
Hardwareeinstellungen
Legen Sie den Versorgungsspannungsbereich fest (1,8 V/3,0 V/5,0 V)
Analog I/F-Bereich
GPIO I/F-Bereich
I²C-Bereich
Handbücher
ROHM Sensor Shield Usage
PDF: 1,13 MB
Circuit Diagram (ARDUINO_SCH (150929))
PDF: 94,8 KB
Hidden